Sinvel SID600 – высокотехнологичный преобразователь частоты для решения сложных задач с высокими требованиями к функционалу и производительности.
SID600 предназначен для управления как синхронными двигателями с постоянными магнитами (PMSM), так и асинхронными в разомкнутом (SVC) и замкнутом контуре (FVC).
-Мощность 0,75 - 630кВт (от 450кВт поставляется в шкафном исполнении);
-Напряжение питания 380 и 690В AC;
-Перегрузочная способность на выбор: - 150% в течение 60 сек – тяжелая нагрузка - 120% в течение 60 сек – легкая нагрузка;
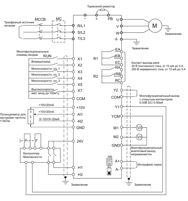
-Входы/выходы 6DI (в том числе 1 высокоскоростной), 2AI, 2RO, 2AO, 2DO;
-Поддержка датчиков температуры двигателя PT100/PT1000/KTY/PTC с помощью карты расширения;
-Встроенные клеммы RS-485 (Modbus-RTU);
-Встроенные клеммы STO SIL3 – безопасное отключение момента в экстренной ситуации;
-Встроенный блок динамического торможения до 75кВт;
-Встроенный DC дроссель от 18.5кВт;
-Встроенный фильтр ЭМС категории СЗ;
-Выходная частота до 3000 Гц.
Раздел Sinvel SID600 - высокотехнологичные ПЧ в магазине
| Перегрузочная способность 150% в течение 1 минуты | Перегрузочная способность 120% в течение 1 минуты | ||||||
| Артикул | Мощность двигателя, кВт | Номинальный ток двигателя, А | Ток перегрузки в течение 60с, А | Мощность двигателя, кВт | Номинальный ток двигателя, А | Ток перегрузки в течение 60с, А | Вес (кг) |
| SID600-0R7G/1R5P-3BS | 0,75 | 2,5 | 3,75 | 1,5 | 4,2 | 5,04 | 2 |
| SID600-1R5G/2R2P-3BS | 1,5 | 4,2 | 6,3 | 2,2 | 5,6 | 6,72 | 2 |
| SID600-2R2G/3R0P-3BS | 2,2 | 5,6 | 8,4 | 3 | 7,2 | 8,64 | 2 |
| SID600-4R0G/5R5P-3BS | 4 | 9,4 | 14,1 | 5,5 | 12 | 14,4 | 2 |
| SID600-5R5G/7R5P-3BS | 5,5 | 13 | 19,5 | 7,5 | 17 | 20,4 | 2,7 |
| SID600-7R5G/9R0P-3BS | 7,5 | 17 | 25,5 | 9 | 20 | 24 | 2,7 |
| SID600-011G/015P-3BS | 11 | 25 | 37,5 | 15 | 32 | 38,4 | 5,05 |
| SID600-015G/018P-3BS | 15 | 32 | 48 | 18,5 | 38 | 45,6 | 5,05 |
| SID600-018G/022P-3BS | 18,5 | 38 | 57 | 22 | 44 | 52,8 | 8,75 |
| SID600-022G/030P-3BS | 22 | 45 | 67,5 | 30 | 59 | 70,8 | 8,75 |
| SID600-030G/037P-3BS | 30 | 60 | 90 | 37 | 73 | 87,6 | 18,05 |
| SID600-037G/045P-3BS | 37 | 75 | 112,5 | 45 | 87 | 104,4 | 18,05 |
| SID600-045G/055P-3BS | 45 | 90 | 135 | 55 | 106 | 127,2 | 26,8 |
| SID600-055G/075P-3BS | 55 | 110 | 165 | 75 | 145 | 174 | 26,8 |
| SID600-075G/090P-3BS | 75 | 150 | 225 | 90 | 169 | 202,8 | 40,05 |
| SID600-090G/110P-3S | 90 | 176 | 264 | 110 | 208 | 249,6 | 45,4 |
| SID600-110G/132P-3S | 110 | 210 | 315 | 132 | 248 | 297,6 | 45,4 |
| SID600-132G/160P-3S | 132 | 253 | 379,5 | 160 | 298 | 357,6 | 67,45 |
| SID600-160G/185P-3S | 160 | 304 | 456 | 185 | 350 | 420 | 67,45 |
| SID600-200G/220P-3S | 200 | 380 | 570 | 220 | 410 | 492 | 99 |
| SID600-220G/250P-3S | 220 | 426 | 639 | 250 | 456 | 547,2 | 99 |
| SID600-250G/280P-3S | 250 | 465 | 697,5 | 280 | 510 | 612 | 135,95 |
| SID600-280G/315P-3S | 280 | 520 | 780 | 315 | 573 | 687,6 | 135,95 |
| SID600-315G/355P-3S | 315 | 585 | 877,5 | 355 | 640 | 768 | 217,95 |
| SID600-355G/400P-3S | 355 | 650 | 975 | 400 | 715 | 858 | 217,95 |
| SID600-400G/450P-3S | 400 | 725 | 1087,5 | 450 | 810 | 972 | 217,95 |
| SID600C-450G/500P-3S | 450 | 820 | 1230 | 500 | 900 | 1080 | 480,2 |
| SID600C-500G/560P-3S | 500 | 900 | 1350 | 560 | 1010 | 1212 | 480,2 |
| SID600C-560G/630P-3S | 560 | 1010 | 1515 | 630 | 1140 | 1368 | 480,2 |
Встроенные клеммы цепей управления:
| Категория | Артикул | Номинальный длительный ток, А | Пиковый ток, А | Применимость для ПЧ |
| Тормозные модули | SIDBUN-045 | 45 | 75 | 18,5 – 45кВт |
| SIDBUN-160 | 75 | 150 | 55 – 160кВт | |
| SIDBUN-315 | 120 | 300 | 185 – 315кВт | |
| SIDBUN-400 | 200 | 400 | 355 – 400кВт |
| Категория | Артикул | Описание |
|
Дополнительное оборудование |
SID600-WiFi | Модуль для дистанционной отладки через телефон с помощью Wi-Fi (устанавливается вместо клавиатуры) |
| SID_LCD_OP | Выносная LCD панель управления | |
| SID_LED_OP | Выносная LED панель управления | |
| SID_LCD_KB1 | Монтажное основание для панелей оператора SID_LED_OP/ SID_LCD_OP, большое | |
| SID_LCD_KB2 | Монтажное основание для панелей оператора SID_LED_OP/ SID_LCD_OP, малое | |
| SID-IO-A1 | Многофункциональная плата расширения входов/выходов (3DI, 1AI, 2RO) | |
| SID-CM-C1 | Коммуникационная карта CANopen | |
| SID-CM-EC1 | Коммуникационная карта EtherCat | |
| SID-CM-PN1 | Коммуникационная карта PROFINET | |
| SID-CM-P1 | Коммуникационная карта Profibus DP | |
| SID-CM-TP1 | Коммуникационная карта Modbus/TCP | |
| SID-PG-OD1 | Многофункциональная карта энкодера (дифференциальный, открытый коллектор, Push-Pull) | |
| SID-PG-OD2 | Многофункциональная карта энкодера (дифференциальный, открытый коллектор, Push-Pull) с выходом с делением частоты | |
| SID-PG-S1 | Карта Sin/Cos энкодера | |
| SID-PG-U1 | Карта дифференциального энкодера с входом UVW | |
| SID-PG-R1 | Карта резольвера | |
| SP-05K | Потенциометр 5кОм, IP65 |
Габаритные размеры


| Технические характеристики | W | W1 | H | H1 | H2 | D | D1 | D2 | d | Типоразмеры | |
| SID600-0R7G/1R5P-3BS |
95 |
82 | 230 | 222 | 218 | 171 | 132 | 96 | 4,5 | 1 | |
| SID600-1R5G/2R2P-3BS | |||||||||||
| SID600-2R2G/3R0P-3BS | |||||||||||
| SID600-4R0G/5R5P-3BS | |||||||||||
| SID600-5R5G/7R5P-3BS | 110 | 95 | 275 | 267 | 260 | 187 | 146 | 105 | 5,5 | ||
| SID600-7R5G/9R0P-3BS | |||||||||||
| SID600-011G/015P-3BS | 140 | 124 | 297 | 289 | 280 | 207 | 163 | 120 | 5,5 | ||
| SID600-015G/018P-3BS | |||||||||||
| SID600-018G/022P-3BS | 190 | 171 | 350 | 340 | 330 | 220 | 173 | 128 | 7 | ||
| SID600-022G/030P-3BS | |||||||||||
| SID600-030G/037P-3BS | 254 | 200 | 484 | 465 | 440 | 221 | 180,5 | 158 | 9,5 | 2 | |
| SID600-037G/045P-3BS | |||||||||||
| SID600-045G/055P-3BS | 304 | 240 | 548 | 524 | 480 | 266 | 225 | 193 | 9,5 | ||
| SID600-055G/075P-3BS | |||||||||||
| SID600-075G/090P-3BS | 324 | 230 | 635 | 613 | 570 | 264 | 223 | 190 | 11,5 | ||
| SID600-090G/110P-3S | 339 | 270 | 621 | 600 | 578 | 296 | 243 | 243 | 11,5 | ||
| SID600-110G/132P-3S | |||||||||||
| SID600-132G/160P-3S | 422 | 320 | 786 | 758 | 709 | 335 | 270 | 256 | 11,5 | ||
| SID600-160G/185P-3S | |||||||||||
| SID600-200G/220P-3S | 441 | 320 | 1025 | 989 | 942 | 358 | / | 285 | 11,5 | ||
| SID600-220G/250P-3S | |||||||||||
| SID600-250G/280P-3S | 560 | 450 | 1204 |
1171 |
1100 | 404 | / | 333 | 13 | ||
| SID600-280G/315P-3S | |||||||||||
| SID600-315G/355P-3S | 660 | 443 | 1597 | 1567 | 1504 | 434 | 375,5 | 323,5 | 13 | ||
| SID600-355G/400P-3S | |||||||||||
| SID600-400G/450P-3S | |||||||||||
| SID600C-450G/500P-3S | 805 | 756 | 2145 | 1945 | 1804 | 700 | 440 | 165 | 13 | 3 | |
| SID600C-500G/560P-3S | |||||||||||
| SID600C-560G/630P-3S | |||||||||||
* - при наличии суффикса “B” в артикуле ПЧ
