Рассмотрим, как реализовать настройку разными способами на примере ПЧ Sinvel серии SID300.

Sinvel SID300
Способ №1. Настройка с помощью встроенного дисплея.
Это первый и самый простой способ настройки, так как никаких дополнительных аксессуаров не требуется. Преобразователь частоты Sinvel SID300 имеет светодиодный 5-сегментный дисплей, 4 кнопки, а также встроенную ручку вал-кодер. С помощью неё намного быстрее перемещаться между группами параметров и перематывать значения. Вжух и готово.

Панель управления с вал-кодером
Однако для новичка этот способ может оказаться неудобным, так как нужно ориентироваться в кодах функций, а для этого иметь под рукой документацию. Посмотрел в документацию – настроил значение, перешёл к следующему. Настройка через дисплей так же становится неудобной, когда нужно быстро настроить много одинаковых ПЧ. В этом случае вам придётся многократно повторять одну и ту же процедуру вручную.
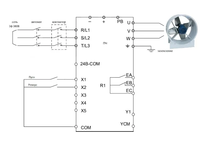
Например, для настройки под самую простую задачу – работу вентилятора вперед/назад с внешних кнопок достаточно будет настроить всего 13 параметров и со встроенной панели это сделать проще всего.
F00.01 = 0 – скалярный режим управления U/f
F00.02 = 1 – запуск с клеммника
F00.03 = 0 - клемма RUN (запуск) и F/R (вперед/реверс)
F00.04 = 8 – настройка задания скорости через встроенный потенциометр
F00.14 = 15 – время разгона
F00.15 = 15 – время замедления
F01.01…F01.05 – номинальные параметры подключенного двигателя (мощность, ток, напряжение, частота и скорость)
F02.00 = 1 – клемма X1 – запуск вперед
F02.01 = 2 – клемма X2 – реверс
Ну и схема подключения самая базовая:

Схема подключения
Способ №2. Настройка с помощью ноутбука и ПО.
Это быстро и удобно. Но далеко не все ПЧ имеют такую возможность, так как не имеют вообще какого-либо ПО. Для ПЧ Sinvel такой софт есть, при этом он не только бесплатный, а ещё и на русском языке. Встретить такое можно очень нечасто! Называется софт Sinvel Driver, подключение осуществляется с помощью широко распространенного преобразователя RS485-USB. Специализированных устройств не требуется.

Адаптер для подключения

ПО Sinvel Driver
Sinvel Driver – это целый набор инструментов для настройки, отладки, сохранения и копирования параметров. Помимо широких возможностей настройки, Sinvel Driver включает в себя ещё и 6-канальный осциллограф, мониторинг рабочего состояния, запись аварийных ситуаций и прочие полезные функции. Настройка частотного преобразователя с таким софтом превращается в интерактивную игру, где пользователю нужно заполнить необходимые поля и наблюдать за результатом.

Настройка параметров онлайн
Способ №3. Настройка с помощью телефона и модуля Wi-Fi.
У ПЧ Sinvel есть ещё одна возможность настройки, достаточно уникальная для рынка ПЧ. Sinvel SID300 поддерживает возможность удаленного управления и настройки с помощью Wi-Fi модуля и приложения для мобильного телефона Sinvel Mobile. Что тут говорить – это и правда очень удобно!

Настройка и управление с мобильного телефона.
После установки модуля Wi-Fi вместо штатной панели управления и загрузки приложения на телефоне, пользователю открываются широкие возможности по мониторингу и настройке. Значения меняются в режиме реального времени, интерфейс интуитивно понятен, и он так же на русском языке. Для управления частотником есть виртуальные кнопки с анимацией. В общем, если вы имеете опыт настройки ПЧ и смартфон, настройка не составит труда.


Настройка и управление с мобильного телефона.
Для сохранения установленных параметров в памяти приложения и быстрой загрузки в другие ПЧ, существует система макросов. Достаточно создать список нужных параметров и сохранить их в файл. Потом подключиться через Wi-Fi к следующему SID300 и одним нажатием загрузить весь список. При этом таких загрузочных файлов можно создать неограниченное количество и иметь все настройки под рукой.

Загрузочные параметры пользователя
Подводя итог, Sinvel SID300, не только надежный и доступный бренд частотных преобразователей, но и один из передовых в плане удобства и технологичности. По всем интересующим вопросам и для получения программного обеспечения Sinvel - обращайтесь к представителям АйДи-Электро.
www.Idelectro.ru