Однофазные двигатели широко применяются как в быту, так и на мелком производстве, где в наличии только однофазное питание 220В. Диапазон мощности таких двигателей ограничен и обычно не превышает 3,7 кВт. Наиболее распространённым примером необходимости регулирования скорости можно считать бытовой вентилятор.
Наиболее распространённая конструкция однофазного двигателя содержит две обмотки — рабочую и фазосдвигающую. Рабочая подключается к сети 220В напрямую, а дополнительная через конденсатор, который сдвигает фазу на 90 градусов, что создаёт вращающееся магнитное поле. Поэтому такие двигатели ещё называют двухфазными или конденсаторными.

Схема однофазного двигателя
Среди методов регулирования однофазных двигателей, распространённых в бытовом применении, можно выделить следующие:
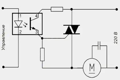
Тиристорный регулятор
В данном способе используются полупроводниковые элементы — тиристоры или симисторы, которые «обрезают» части своей полуволны напряжения, в результате чего среднеквадратичное значение напряжения изменяется.
Такой способ оправдан только для двигателей малой мощности, регулирование возможно в ограниченном диапазоне, а при работе может наблюдаться шум и рывки двигателя.


Схема и внешний вид тиристорного регулятора
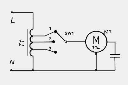
С помощью автотрансформатора
Автотрансформатор — это трансформатор с одной обмоткой и с отводами от части витков.
Переключатель по очереди подключает двигатель к одному из отводов, при этом регулирование получается ступенчатое, а не плавное. Таким образом, двигатель может работать только на нескольких фиксированных скоростях, обусловленных количеством отводов автотрансформатора. Также следует отметить, что сам автотрансформатор обладает значительными габаритами и массой.

Схема автотрансформаторного регулирования

Автотрансформаторный регулятор
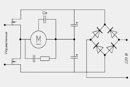
Транзисторный регулятор напряжения
Ещё такой способ называется электронным автотрансформатором или ШИМ-регулятором. В основе способа — широтно-импульсная модуляция (ШИМ), а основными элементами являются IGBT транзисторы. Транзисторы коммутируются с частотой до 50кГц, а изменение ширины импульсов и пауз между ними приводит к изменению напряжения на выходе.

Схема транзисторного регулятора

ШИМ-регулятор
Все перечисленные выше способы актуальны только для простых применений и малых мощностей двигателей, ориентировочно до 0,37кВт. Что же делать, если мощность двигателя больше, а применение ответственное?
Частотное регулирование
С развитием технологий на рынке появились частотные преобразователи (ПЧ), в том числе и для однофазных двигателей, способные работать без удаления конденсатора из двигателя. На входе такого ПЧ 1ф 220В и на выходе тоже 1ф 220В, но с возможностью регулирования частоты. При этом ПЧ обладает всеми необходимыми защитами и функционалом для подключения внешних датчиков и органов управления. Работа двигателя от такого ПЧ устойчивая и мягкая.

ПЧ для однофазного двигателя
Однако есть и ограничения. Например, диапазон мощности всего от 0,37...1,1кВт, в то время как однофазные двигатели бывают до 3,7кВт. Ещё одно ограничение — малая регулировка частоты выше номинальной. Этому мешает конденсатор, установленный в цепи фазосдвигающей обмотки двигателя, так как его сопротивление напрямую зависит от частоты тока. Главный же минус специализированных ПЧ для однофазных двигателей — их цена.
Здесь и возникает вопрос: какие альтернативные варианты существуют? Чем заменить однофазный двигатель, чтобы сохранить производительность и по возможности сэкономить?
Существуют общепромышленные ПЧ с питанием на входе 1ф 220В, но дающие на выходе полноценные 3 фазы с напряжением 220В. Для работы с такими ПЧ используются обычные трёхфазные двигатели, ассортимент и диапазон мощностей которых шире.

Общепромышленный ПЧ + стандартный трехфазный двигатель
Сравним стоимость двух комплектов
Однофазный двигатель + специализированный ПЧ для однофазного двигателя
Трёхфазный двигатель + общепромышленный ПЧ с питанием 220В на входе (и выдающий на выходе 3Ф 220В).

Как видно из сравнительной таблицы, при замене двигателя на трехфазный и использовании общепромышленного ПЧ, экономия составляет более 50%. Кроме экономической выгоды пользователь получает полноценную приводную систему, лишенную недостатков, присущих однофазным ПЧ.
1. Общепромышленные ПЧ с питанием 220В имеют больший диапазон мощностей — до 2,2кВт
2. Диапазон регулирования частоты в такой системе не ограничен двигателем и может составлять от 0 до 500Гц.
Подводя итог — для малых двигателей в бытовом применении подойдет любой из способов регулирования напряжения: автотрансформаторный, тиристорный или ШИМ-регулятор. В применениях, где нельзя заменить двигатель по конструктивным причинам, а требования к регулированию высокие — использовать дорогостоящие специализированные ПЧ для однофазных двигателей. В остальных случаях, самым рациональным решением будет замена однофазного двигателя 220В на трехфазный 220В и управление его с помощью общепромышленного ПЧ с питанием 220В.
Более подробно познакомиться с однофазными ПЧ Inovance MD200 можно в разделе - https://shop.idelectro.ru/catalog/chastotnye_preobrazovateli/md200/
Раздел электродвигателей в магазине - https://shop.idelectro.ru/catalog/elektrodvigateli/obshchepromyshlennye_dvigateli/