
Упрощенно процесс волочения можно описать как процесс деформирования материала путём протягивания заготовок через одно или несколько калиброванных отверстий для получения материала нужного диаметра. Для обеспечения качества продукции необходимо согласованное регулирование скорости механизмов станка для поддержания постоянного натяжения материала, и поэтому применяются преобразователи частоты. Настройка параметров управления преобразователя в таких станках - это сложный и трудоёмкий процесс, требующий высокой квалификации персонала.
Преобразователи частоты Sinvel SID300 позволяют существенно облегчить и упростить этот процесс, так как имеют встроенные специальные функции для работы с процессами намотки, размотки и волочения, что ускоряет процесс настройки, а также уменьшает вероятности ошибки. Применение преобразователей частоты Sinvel SID300 позволяет отказаться от использования контроллера и датчиков, которые обычно используется для контроля за натяжением материала и скоростью механизмов.

Для работы с процессами намотки, размотки и волочения используется специальный макрос, который нужно выбрать в настройках преобразователя SID300. Для этого необходимо в параметре F16.00 установить значение 3. После этого SID300 автоматически предустановит необходимые основные параметры и будет представлять собой специальное устройство управления для оборудования намотки, размотки и волочения.
После этого в настройках в параметре F27.00 необходимо выбрать макрос для управления конкретным механизмом станка:
- значение 0 для применения настроек как оборудования намотки;
- значение 1 для применения настроек как оборудования размотки;
- значение 2 и 3 для применения настроек как оборудования волочения.
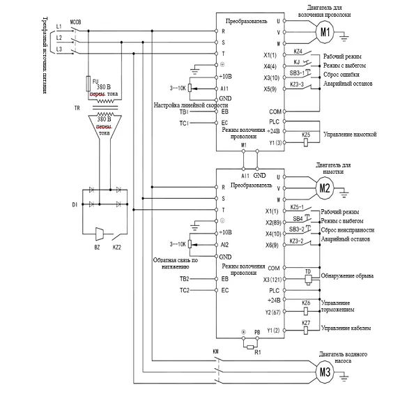
В качестве примера рассмотрим применение Sinvel SID300 для станка волочения с основным приводом, механизмом намотки и механизмом контроля натяжения, так называемая двух-инверторная машина волочения. На рисунке 1 и 2 представлено функциональное устройство и принципиальная схема подключения.

Рисунок 1.

Рисунок 2.
Оператор-технолог включает станок и задаёт на ведущем преобразователе частоты Синвел SID300 основную скорость работы главного привода станка волочения. Он включает ведомый преобразователь SID300 механизма намотки, скорость которого будет синхронизирована со скоростью главного привода, управляемого ведущим преобразователем. Необходимое натяжение материала будет обеспечиваться с помощью поворотного стержня со встроенным потенциометром, сигнал с которого будет выступать в качестве источника обратной связи по натяжению для ПЧ механизма намотки. При работе станка при изменении диаметра материала на барабане механизма намотки будет происходить отклонение поворотного стержня. С его встроенного потенциометра будет поступать дополнительный сигнал задания на преобразователь механизма намотки, который будет подстраивать необходимую скорость вращения барабана для обеспечения постоянного и равномерного натяжения материала.
Необходимо отметить, что в параметре F16.00 должно быть установлено значение 3 в обоих преобразователях, которое соответствует применению для оборудования намотки, размотки и волочения. При этом в преобразователе главного привода в параметре F27.00 должно быть выставлено значение 2 или 3 для применения настроек для оборудования волочения, а в преобразователе механизма намотки в параметре F27.00 должно быть выставлено значение 0, соответствующее применению для оборудования намотки.
Преобразователи частоты Синвел SID300 имеют мощность от 0,4 до 450кВ, чего достаточно для подавляющего применений в станках для намотки и волочения. С помощью Sinvel SID300 Вы можете расширить возможности станков по перемотке и волочению, легко адаптировав их для материалов различной прочности, размеров и сечений. Использование преобразователей SID300 позволяет избежать порывов материала за счет плавного пуска, торможения и контроля натяжения, а также повысить качество готовой продукции за счет точного поддержания скорости и согласованного регулирования приводных электродвигателей механизмов. А встроенные в преобразователь SID300 макросы для работы с процессами намотки, размотки и волочения облегчат процесс настройки и помогут избежать возможных ошибок.
Sinvel – российский бренд промышленного электрооборудования, созданный профессионалами для профессионалов. Сегодня под брендом Sinvel выпускаются преобразователи частоты, блоки питания и предохранительная техника. Продукция Sinvel сертифицирована, соответствует стандартам IEC/МЭК, а также адаптирована под требования российских потребителей и электросетевых компаний.
Подробная информация на сайте sinvel.ru