Диапазон мощностей преобразователя SID300 составляет от 0,4 до 450кВ – этого достаточно для подавляющего большинства сфер использования, например, в HVAC, компрессорах, экструдерах, конвейерах, станках и рольгангах и т.д.
Функция отключения крутящего момента (STO) — это функция, которая мгновенно при возникновении внешнего сигнала от системы безопасности снимает готовность с преобразователя и блокирует сигналы управления на модули IGBT ПЧ. Это немедленно отключает крутящий момент и питание электродвигателя, не допуская его вращения или движения.
Наличие STO позволяет интегрировать преобразователь частоты в комплексную систему безопасности, что позволяет мгновенно останавливать оборудование, управляемое ПЧ, быстро реагируя на потенциальные угрозы при неожиданных сбоях или ошибках персонала. Это позволяет обеспечить бесперебойную работу оборудования, снизить вероятность простоев и аварий, избежать возникновения или снизить тяжесть несчастных случаев и избежать репутационных и финансовых потерь.
Термин SIL связан с обеспечением полноты и надёжности уровня функций безопасности. SIL (Safety Integrity Level) означает «Уровень полноты функций безопасности».
Чем опаснее процесс или используемое оборудование, тем выше требования к полноте и надёжности функций безопасности.
Существует 4 степени безопасности SIL:
SIL1
- Ущерб: оборудование, продукция.
- Допустимое число отказов: 1 на 0.1 млн. часов
SIL2
- Ущерб: Травматизм персонала
- Допустимое число отказов: 1 на 1 млн. часов
SIL3
- Ущерб: Гибель персонала или населения
- Допустимое число отказов: 1 на 10 млн. часов
SIL4
- Ущерб: Общая техногенная катастрофа
- Допустимое число отказов: 1 на 100 млн. часов
Полнота безопасности растет с номером степени, так номер 1 означает низшую степень безопасности, а номер 4 означает высшую степень безопасности.
Маркировка SIL и имеющийся сертификат SIL преобразователи частоты Синвел SID300 являются важным критерием безопасности использования технологического оборудования ведь заказчики оборудования могут предъявлять требования по наличию сертификатов соответствия требованиям SIL.
ПЧ с STO не заменяет систему безопасности, а дополняет её, становясь одним из её элементов. Основные компоненты системы безопасности могут включают в себя ПЛК или реле безопасности, датчики для контроля состояния оборудования и коллективных средств безопасности. ПЛК или реле безопасности постоянно анализирует сигналы от датчиков. В случае пересечения сотрудником зоны опасного воздействия оборудования подаёт сигнал на включение функции отключения крутящего момента (STO). Таким образом, для использования этой функции может применяться как специализированное оборудование в комплексе системы безопасности, так и стандартные компоненты преобразователя, интегрированные с функцией безопасности (STO).

Рисунок 1.

Рисунок 2.
Важным отметить, что функция STO также не является заменой функции аварийной остановки и без принятия каких-либо дополнительных мер питание преобразователя не отключается, и он по-прежнему находится под напряжением. Поэтому для выполнения технического обслуживания преобразователя или электродвигателя необходимо производить только после отключения от основного источника питания.
За работу функции отключения крутящего момента (STO) преобразователя Sinvel SID300 с точки зрения получения внешних сигналов отвечают два канала Н1 и Н2, расположенные на клеммах платы управления ПЧ. По умолчанию преобразователь поставляется с заводскими перемычками, установленными на клеммах двух каналов (Рисунок 3).

Рисунок 3.
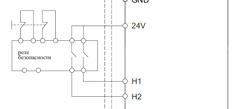
Для использования функции отключения крутящего момента (STO) необходимо выполнить соответствующие подключения, как в примере для подключения реле безопасности (Рисунок 4).
Пример схемы подключения клемм STO

Рисунок 4.
Пользователь может также выбрать тип настройки функции STO для соответствия требованиям технологии и безопасности.
Есть два режима работы, которые можно выбрать в параметре F07.50.
При установке в параметр значения 0 и срабатывании функции STO будет происходить блокировка и после восстановления состояния каналов Н1 и Н2 необходимо будет выполнить квитирование как при аварийном сообщении для выхода из состояния STO.
При установке в параметр значения 1 и срабатывании функции (STO) не будет происходить блокировка и после восстановления состояния каналов Н1 и Н2 преобразователь автоматический выйдет из состояния (STO).
Для мониторинга срабатывания функции отключения крутящего момента предусмотрено несколько способов. Можно назначить на дискретный выход преобразователя Y1 функцию со значением 83 (Индикация состояния STO) и при включении STO или неисправностях контуров безопасности каналов Н1 и Н2 выход будет становиться активным и включать лампу индикации или передавать сигнал в систему верхнего уровня.
Также за работой функции отключения крутящего момента можно наблюдать на панели управления преобразователя SID300. При штатном срабатывании на экран панели будет выводится код E103 (Безопасная остановка крутящего момента STO). При неисправности контура безопасности канала 1 или 2 будет выводится соответствующий код E104 или E105. При неисправности внутреннего контура STO будет выводиться код Е106.
Ещё один способ контролировать работу STO - это считывать коды и состояние дискретного выхода через встроенный последовательный интерфейс с протоколом Modbus-RTU с интеграцией в сеть автоматизированной системы управления (АСУ).
Возникновение кодов E104, E105 или Е106 не является штатной работой функции отключения крутящего момента и вызывает блокировку ПЧ. Сброс можно будет произвести только отключением/включением питания преобразователя.
Таким образом использование преобразователей частоты Sinvel SID300 с функцией «STO» (уровня безопасности SIL3) позволяет строить надёжные и безопасные системы управления движением и является одним из гарантов безопасности использования технологического оборудования.
Подобрать преобразователь по мощности двигателя можно на сайте sinvel.ru