АйДи-Электро
Каталог
Преобразователи частоты
SID100
SID300
SID600
MD630
MD600
MD310
MD290
MD520
MD500Plus
CS710
MD200
MD580
MD800
MD810
STV320
ME320LN
Карты расширения
Выносные терминалы
Аксессуары
Тормозные резисторы
Тормозные модули
Дроссели сетевые
Дроссели моторные
Дроссели du/dt
Синус-фильтры
Фильтры ЭМС
Altivar 12
Altivar 212
Altivar 310
Altivar 312
Altivar 320
Altivar 340
Altivar 610
Altivar 630/650
Altivar 71
Altivar 930/950
MD500
Сетевые фильтры
Сервоприводы
Сервопреобразователи
Сервомоторы
Аксессуары
Кабели
Логические контроллеры и HMI-панели
Логические контроллеры
Модули расширения
Картриджи
Диалоговые терминалы
Кабели и адаптеры
Клеммные колодки
Преобразователи сигналов
Промышленные коммутаторы
Датчики
Влажности
Давления
Температуры
Модемы
Дисплеи
Программируемые реле
Предохранители и рубильники на предохранителях
Модульные ПВР
Горизонтальные ПВР
Вертикальные ПВР
Общепромышленные предохранители
Цилиндрические плавкие вставки
Ножевые плавкие вставки
Рукоятки съёма предохранителей
Быстродействующие предохранители
Ножевые в держатели
Цилиндрические под болт
Ножевые под болт
Цилиндрические в держатели
Резьбовые
Дополнительные контакты
Короткозамыкающие соединители
Держатели предохранителей
Выключатели-разъединители и рубильники
SDV
SDP
Vario
SALIT
VC5P
INV, INS
Шкафы, боксы и клеммные коробки
Напольные шкафы
MK-20
RAM block CQE
Spacial SF
Аксессуары
Prisma G
Навесные щиты
Навесные щиты с монтажной панелью
Навесные щиты без монтажной панели
Навесные щиты с прозрачной дверью
Навесные щиты красного цвета
Навесные щиты из нержавеющей стали
Рамы для 19'' оборудования
Козырьки дождезащитные
Замки и ручки
Внутренние двери
Вспомогательные рейки
Кронштейны, цоколи и стойки
Фланцы и кабельные ввода
Двери
Рамы для модульного оборудования
Монтажные платы
Аксессуары
Пульты
Распределительные, клеммные коробки
Распределительные коробки
Корпусы
Клеммные коробки
Распределительные коробки из нержавеющей стали
Аксессуары
Уличные шкафы
Thalassa
Серия 222
Серия B10
Серия LABEO
Боксы и распределительные щитки
Easy 9
RAM base
Kaedra и Mini Kaedra
Resi9-KV (Mini Pragma)
Pragma
Prisma Pack
Гермовводы
Пластиковые гермовводы
Латунные гермовводы
Гермовводы с держателем кабеля
Гайки латунные
Розетки щитовые
Светильники
Концевые выключатели
Аксессуары для светильников
Болты, гайки, винты и саморезы
Винты
Гайки
Рым-болты
Краска для ремонта
Щитовое климатическое оборудование
Вентиляторы и решётки
Обогреватели
Термостаты и гигростаты
Аксессуары для монтажа
DIN-рейка
Наконечники - гильзы
Наконечники изолированные
Наконечники штампованные
Кабельные зажимы для С-рейки
Кабельные стяжки ID
Изоляторы и стойки
Спираль для жгутовки провода
Защитный профиль
Трубка термоусаживаемая
Реле
Реле промежуточные
Миниатюрные реле
Универсальные реле
Октальные реле
Силовые реле
В корпусе контактора
Розетки
Скобы-держатели реле
Модули индикации и защиты
Таймерные модули
Адаптеры и держатели
Шинные соединители
Реле для монтажа на печатную плату
Маркировка для реле
Твердотельные реле
Реле времени и таймеры
Лестничные таймеры
Модульные реле времени и таймеры
Таймеры для монтажа в розетку
Таймеры для монтажа на панель
Импульсные реле
Реле бистабильные
Реле напряжения
Реле быстродействующие
Реле освещения
Реле тока
Реле контроля уровня жидкости
Реле контроля температуры
Реле безопасности
Реле контроля предохранителей
Реле защиты двигателя
Термисторные реле
Тепловые реле
Электронные реле
Контакторы и тепловые реле
Модульные контакторы
Миниатюрные контакторы
Универсальные контакторы
Контакторы постоянного тока
Вспомогательные реле
Тепловые реле
Электронные реле
Сигнальные контакты
Блоки выдержки времени
Механические блокировки
Модули защиты
Пускатели
Адаптеры тепловых реле
Катушки управления
Звезда-треугольник
Крышки и перегородки
Многофункциональные пускатели
Механические защелки
Диодные развязки
Аксессуары
Блоки питания и трансформаторы
Импульсные блоки питания
Диодные модули
Модули ИБП
Буферные модули
Электронные автоматические выключатели
Трансформаторы
Клеммы и разъёмы
Распределительные блоки и кросс-модули
Стопоры
Винтовые проходные
Проходные пружинные
Push-in проходные
Болтовые проходные
Шинные клеммы
Измерительные
С держателем предохранителя
Перемычки
Крышки
Разделительные пластины
Строительно-монтажные клеммы
Вставки-размыкатели, держатели компонентов
Со встроенными электронными компонентами
Клеммы-ответвители
Промышленные разъёмы
Гнёзда для тестера
Маркировка
Принтеры для маркировки
Принтеры
Аксессуары
Маркировка для клемм
Держатели маркировки
Маркировка клемм без надписей
Маркировка клемм с надписями
Маркировка для провода
Наборная маркировка провода с открытым профилем
Держатели маркировки кабеля под стяжку
Держатели маркировки провода с закрытым профилем
Маркировочные кембрики и ламинация
Наборная маркировка провода с закрытым профилем
Маркировка для ламп и кнопок
Маркировка оборудования
Маркеры
Автоматические выключатели и УЗО
Модульные автоматические выключатели
Модульные выключатели нагрузки
Модульные УЗО
Модульные дифавтоматы
Устройство защиты от дугового пробоя (УЗДП)
Автоматические выключатели защиты двигателя
Автоматические выключатели в литом корпусе
Выключатели нагрузки в литом корпусе
Автоматические выключатели воздушные
Коммутационные блоки
Расцепители максимального тока
Блоки разъединителя нагрузки
Шинки гребенчатые
Дифференциальные модули
Сигнальные контакты
Расцепители независимые
Расцепители минимального напряжения
Клеммы и расширители полюсов
Крышки и изоляторы
Адаптеры на DIN-рейку
Рукоятки управления
Блокировки
Моторные приводы
Шасси
Коммуникационные модули
Аксессуары
Кнопки, джойстики и светосигнальная арматура
Концевые выключатели
Концевые выключатели в сборе
Адаптер кабельного ввода
Головка
Контакты
Корпус
Модульные кнопки и индикаторы
Индикаторы
Кнопки
Переключатели
Аварийные кнопки
Кнопки
Индикаторы
Кнопочные посты
Кулачковые переключатели
Двойные кнопки
Переключатели
Джойстики
Кнопки с подсветкой
Зуммеры
Сигнальные колонны
Сирены
Потенциометры
Аксессуары
Лампы BA9s
Таймеры и счётчики
Устройства плавного пуска
NJR2
NJR5
STS22
NJRP5
Altistart 01
Altistart 22
Altistart 48
УЗИП
Finder 7P
iPRD1
Easy9 SPD
iPRF1
PRD
SJB, SJBC, SVC, SVD
ОП-101
Устройства АВР
Вольтметры, амперметры и трансформаторы тока
Вольтметры и амперметры
Трансформаторы тока
Счётчики и анализаторы электроэнергии
Источники бесперебойного питания
TRIO UPS
Info
Info LED
Small Basic
Intelligent
Solo
Monolith E
Small
Small Convert
Trio TT
Trio TM
Extra TT
Модули расширения
Шины и провод
Гибкий монтажный провод
Гибкие медные шины
Жёсткие медные шины
Система шин Linergy Evolution
Аксессуары Linergy Evolution
Вертикальные шины Linergy Evolution
Горизонтальные шины Linergy Evolution
Шинодержатели
Держатели жесткой шины в разборе
Держатели для гибкой шины
Держатели жесткой шины в сборе
Кабеленесущие системы
Кабель-канал перфорированный
Гибкий кабель-канал с клеящей лентой
Листовой кабельный лоток
Перфорированные кабельные лотки
Неперфорированные кабельные лотки
Угловые элементы
Ответвители
Заглушки
Удлинители
Накладки соединительные
Переходники
Аксессуары для лотков
Монтажные аксессуары
Консоли
Консоли быстрой фиксации
C-профиль
Крышки
I-профиль
Полоса перфорированная
П-профиль
Перегородки
Подвесы
Проволочный кабельный лоток
Аксессуары проволочного лотка
C-профиль
Прямые секции лотков
Консоли
Ограничители изгиба кабеля
Переходники
Гофрированная труба
Гофра труба из ПВХ
Гофра из полиэтилена
Гофра из полиолефина
Гофра из полиамида
Аксессуары
Хомуты и держатели
Металлорукав
Металлорукав из оцинкованной стали
Металлорука в ПВХ изоляции
Муфты металлорукав-коробка
Инструмент
Отвёртки
Инструмент для снятия изоляции и нарезки провода
Инструмент для опрессовки наконечников
Инструменты для резки DIN-рейки и перфорированных коробов
Комплектующие для КРМ
Антирезонансные дроссели
Конденсаторы
Контакторы для КРМ
Контроллеры
Таблицы выбора
Частотные преобразователи
Выключатели нагрузки и рубильники
Предохранители и рубильники на предохранителях
Автоматические выключатели и УЗО
Клеммы и разъёмы
Шкафы, боксы и клеммные коробки
Контакторы и тепловые реле
Маркировка
Кнопки, джойстики и светосигнальная арматура
Реле
Блоки питания и трансформаторы
Расходные материалы и аксессуары для монтажа
Шины и провод
Кабеленесущие системы
Стабилизаторы напряжения и ИБП
Панели HMI
Бренды
Блог
FAQ
Документация
О магазине
Лицензии и сертификаты
Отзывы
Политика конфиденциальности
Договор оферты
Реквизиты
Контакты
Контакты
idelectro.ru ↗
8 800 222-80-42
Заказать звонок
Задать вопрос
Войти
  • Корзина0
  • Избранные товары0
  • Сравнение товаров0
shop@idelectro.ru
г. Екатеринбург, ул. Анри Барбюса 13
  • Вконтакте
  • Telegram
  • Rutube
  • MAX
8 800 222-80-42
Заказать звонок
shop@idelectro.ru
г. Екатеринбург, ул. Анри Барбюса 13
Войти
АйДи-Электро
Сравнение0
Избранные товары 0
Корзина 0
Каталог
Преобразователи частоты
Сервоприводы
Логические контроллеры и HMI-панели
Предохранители и рубильники на предохранителях
Выключатели-разъединители и рубильники
Шкафы, боксы и клеммные коробки
Щитовое климатическое оборудование
Аксессуары для монтажа
Реле
Контакторы и тепловые реле
Блоки питания и трансформаторы
Клеммы и разъёмы
Маркировка
Автоматические выключатели и УЗО
Кнопки, джойстики и светосигнальная арматура
Устройства плавного пуска
УЗИП
Устройства АВР
Вольтметры, амперметры и трансформаторы тока
Источники бесперебойного питания
Шины и провод
Кабеленесущие системы
Инструмент
Комплектующие для КРМ
    • SID100
      SID100
    • SID300
      SID300
    • SID600
      SID600
    • MD630
      MD630
    • MD600
      MD600
    • MD310
      MD310
    • MD290
      MD290
    • MD520
      MD520
    • MD500Plus
      MD500Plus
    • CS710
      CS710
    • STV320
      STV320
    • Карты расширения
      Карты расширения
    • Выносные терминалы
      Выносные терминалы
    • Тормозные резисторы
      Тормозные резисторы
    • Тормозные модули
      Тормозные модули
    • Дроссели сетевые
      Дроссели сетевые
    • Дроссели моторные
      Дроссели моторные
    • Дроссели du/dt
      Дроссели du/dt
    • Сервопреобразователи
      Сервопреобразователи
    • Сервомоторы
      Сервомоторы
    • Кабели
      Кабели
    • Логические контроллеры
      Логические контроллеры
    • Модули расширения
      Модули расширения
    • Картриджи
      Картриджи
    • Диалоговые терминалы
      Диалоговые терминалы
    • Кабели и адаптеры
      Кабели и адаптеры
    • Клеммные колодки
      Клеммные колодки
    • Преобразователи сигналов
      Преобразователи сигналов
    • Промышленные коммутаторы
      Промышленные коммутаторы
    • Датчики
      Датчики
      • Влажности
      • Давления
      • Температуры
    • Модемы
      Модемы
    • Дисплеи
      Дисплеи
    • Программируемые реле
      Программируемые реле
    • Модульные ПВР
      Модульные ПВР
    • Горизонтальные ПВР
      Горизонтальные ПВР
    • Вертикальные ПВР
      Вертикальные ПВР
    • Общепромышленные предохранители
      Общепромышленные предохранители
      • Цилиндрические плавкие вставки
      • Ножевые плавкие вставки
      • Рукоятки съёма предохранителей
    • Быстродействующие предохранители
      Быстродействующие предохранители
      • Ножевые в держатели
      • Цилиндрические под болт
      • Ножевые под болт
      • Цилиндрические в держатели
      • Резьбовые
      • Дополнительные контакты
    • Короткозамыкающие соединители
      Короткозамыкающие соединители
    • Держатели предохранителей
      Держатели предохранителей
    • SDV
      SDV
    • SDP
      SDP
    • Vario
      Vario
    • SALIT
      SALIT
    • VC5P
      VC5P
    • INV, INS
      INV, INS
    • Напольные шкафы
      Напольные шкафы
      • MK-20
      • RAM block CQE
      • Spacial SF
      • Аксессуары
      • Prisma G
    • Навесные щиты
      Навесные щиты
      • Навесные щиты с монтажной панелью
      • Навесные щиты без монтажной панели
      • Навесные щиты с прозрачной дверью
      • Навесные щиты красного цвета
      • Навесные щиты из нержавеющей стали
      • Рамы для 19'' оборудования
      • Козырьки дождезащитные
      • Замки и ручки
      • Внутренние двери
      • Вспомогательные рейки
      • Кронштейны, цоколи и стойки
      • Фланцы и кабельные ввода
      • Двери
      • Рамы для модульного оборудования
      • Монтажные платы
      • Аксессуары
      • +  ЕЩЕ 6
    • Пульты
      Пульты
    • Распределительные, клеммные коробки
      Распределительные, клеммные коробки
      • Распределительные коробки
      • Корпусы
      • Клеммные коробки
      • Распределительные коробки из нержавеющей стали
      • Аксессуары
    • Уличные шкафы
      Уличные шкафы
      • Thalassa
      • Серия 222
      • Серия B10
      • Серия LABEO
    • Боксы и распределительные щитки
      Боксы и распределительные щитки
      • Easy 9
      • RAM base
      • Kaedra и Mini Kaedra
      • Resi9-KV (Mini Pragma)
      • Pragma
      • Prisma Pack
    • Гермовводы
      Гермовводы
      • Пластиковые гермовводы
      • Латунные гермовводы
      • Гермовводы с держателем кабеля
      • Гайки латунные
    • Розетки щитовые
      Розетки щитовые
    • Светильники
      Светильники
    • Концевые выключатели
      Концевые выключатели
    • Аксессуары для светильников
      Аксессуары для светильников
    • Болты, гайки, винты и саморезы
      Болты, гайки, винты и саморезы
      • Винты
      • Гайки
      • Рым-болты
    • Краска для ремонта
      Краска для ремонта
    • Вентиляторы и решётки
      Вентиляторы и решётки
    • Обогреватели
      Обогреватели
    • Термостаты и гигростаты
      Термостаты и гигростаты
    • DIN-рейка
      DIN-рейка
    • Наконечники - гильзы
      Наконечники - гильзы
    • Наконечники изолированные
      Наконечники изолированные
    • Наконечники штампованные
      Наконечники штампованные
    • Кабельные зажимы для С-рейки
      Кабельные зажимы для С-рейки
    • Кабельные стяжки ID
      Кабельные стяжки ID
    • Изоляторы и стойки
      Изоляторы и стойки
    • Спираль для жгутовки провода
      Спираль для жгутовки провода
    • Защитный профиль
      Защитный профиль
    • Трубка термоусаживаемая
      Трубка термоусаживаемая
    • Реле промежуточные
      Реле промежуточные
      • Миниатюрные реле
      • Универсальные реле
      • Октальные реле
      • Силовые реле
      • В корпусе контактора
      • Розетки
      • Скобы-держатели реле
      • Модули индикации и защиты
      • Таймерные модули
      • Адаптеры и держатели
      • Шинные соединители
      • Реле для монтажа на печатную плату
      • Маркировка для реле
      • +  ЕЩЕ 3
    • Твердотельные реле
      Твердотельные реле
    • Реле времени и таймеры
      Реле времени и таймеры
      • Лестничные таймеры
      • Модульные реле времени и таймеры
      • Таймеры для монтажа в розетку
      • Таймеры для монтажа на панель
    • Импульсные реле
      Импульсные реле
    • Реле бистабильные
      Реле бистабильные
    • Реле напряжения
      Реле напряжения
    • Реле быстродействующие
      Реле быстродействующие
    • Реле освещения
      Реле освещения
    • Реле тока
      Реле тока
    • Реле контроля уровня жидкости
      Реле контроля уровня жидкости
    • Реле контроля температуры
      Реле контроля температуры
    • Реле безопасности
      Реле безопасности
    • Реле контроля предохранителей
      Реле контроля предохранителей
    • Реле защиты двигателя
      Реле защиты двигателя
      • Термисторные реле
      • Тепловые реле
      • Электронные реле
    • Модульные контакторы
      Модульные контакторы
    • Миниатюрные контакторы
      Миниатюрные контакторы
    • Универсальные контакторы
      Универсальные контакторы
    • Контакторы постоянного тока
      Контакторы постоянного тока
    • Вспомогательные реле
      Вспомогательные реле
    • Тепловые реле
      Тепловые реле
    • Электронные реле
      Электронные реле
    • Сигнальные контакты
      Сигнальные контакты
    • Блоки выдержки времени
      Блоки выдержки времени
    • Механические блокировки
      Механические блокировки
    • Модули защиты
      Модули защиты
    • Пускатели
      Пускатели
    • Адаптеры тепловых реле
      Адаптеры тепловых реле
    • Катушки управления
      Катушки управления
    • Звезда-треугольник
      Звезда-треугольник
    • Крышки и перегородки
      Крышки и перегородки
    • Многофункциональные пускатели
      Многофункциональные пускатели
    • Механические защелки
      Механические защелки
    • Диодные развязки
      Диодные развязки
    • Импульсные блоки питания
      Импульсные блоки питания
    • Диодные модули
      Диодные модули
    • Модули ИБП
      Модули ИБП
    • Буферные модули
      Буферные модули
    • Электронные автоматические выключатели
      Электронные автоматические выключатели
    • Трансформаторы
      Трансформаторы
    • Распределительные блоки и кросс-модули
      Распределительные блоки и кросс-модули
    • Стопоры
      Стопоры
    • Винтовые проходные
      Винтовые проходные
    • Проходные пружинные
      Проходные пружинные
    • Push-in проходные
      Push-in проходные
    • Болтовые проходные
      Болтовые проходные
    • Шинные клеммы
      Шинные клеммы
    • Измерительные
      Измерительные
    • С держателем предохранителя
      С держателем предохранителя
    • Перемычки
      Перемычки
    • Крышки
      Крышки
    • Разделительные пластины
      Разделительные пластины
    • Строительно-монтажные клеммы
      Строительно-монтажные клеммы
    • Вставки-размыкатели, держатели компонентов
      Вставки-размыкатели, держатели компонентов
    • Со встроенными электронными компонентами
      Со встроенными электронными компонентами
    • Клеммы-ответвители
      Клеммы-ответвители
    • Промышленные разъёмы
      Промышленные разъёмы
    • Гнёзда для тестера
      Гнёзда для тестера
    • Принтеры для маркировки
      Принтеры для маркировки
      • Принтеры
      • Аксессуары
    • Маркировка для клемм
      Маркировка для клемм
      • Держатели маркировки
      • Маркировка клемм без надписей
      • Маркировка клемм с надписями
    • Маркировка для провода
      Маркировка для провода
      • Наборная маркировка провода с открытым профилем
      • Держатели маркировки кабеля под стяжку
      • Держатели маркировки провода с закрытым профилем
      • Маркировочные кембрики и ламинация
      • Наборная маркировка провода с закрытым профилем
    • Маркировка для ламп и кнопок
      Маркировка для ламп и кнопок
    • Маркировка оборудования
      Маркировка оборудования
    • Маркеры
      Маркеры
    • Модульные автоматические выключатели
      Модульные автоматические выключатели
    • Модульные выключатели нагрузки
      Модульные выключатели нагрузки
    • Модульные УЗО
      Модульные УЗО
    • Модульные дифавтоматы
      Модульные дифавтоматы
    • Устройство защиты от дугового пробоя (УЗДП)
      Устройство защиты от дугового пробоя (УЗДП)
    • Автоматические выключатели защиты двигателя
      Автоматические выключатели защиты двигателя
    • Автоматические выключатели в литом корпусе
      Автоматические выключатели в литом корпусе
    • Выключатели нагрузки в литом корпусе
      Выключатели нагрузки в литом корпусе
    • Автоматические выключатели воздушные
      Автоматические выключатели воздушные
    • Коммутационные блоки
      Коммутационные блоки
    • Расцепители максимального тока
      Расцепители максимального тока
    • Блоки разъединителя нагрузки
      Блоки разъединителя нагрузки
    • Шинки гребенчатые
      Шинки гребенчатые
    • Дифференциальные модули
      Дифференциальные модули
    • Сигнальные контакты
      Сигнальные контакты
    • Расцепители независимые
      Расцепители независимые
    • Расцепители минимального напряжения
      Расцепители минимального напряжения
    • Клеммы и расширители полюсов
      Клеммы и расширители полюсов
    • Крышки и изоляторы
      Крышки и изоляторы
    • Адаптеры на DIN-рейку
      Адаптеры на DIN-рейку
    • Рукоятки управления
      Рукоятки управления
    • Блокировки
      Блокировки
    • Моторные приводы
      Моторные приводы
    • Шасси
      Шасси
    • Коммуникационные модули
      Коммуникационные модули
    • Концевые выключатели
      Концевые выключатели
      • Концевые выключатели в сборе
      • Адаптер кабельного ввода
      • Головка
      • Контакты
      • Корпус
    • Модульные кнопки и индикаторы
      Модульные кнопки и индикаторы
      • Индикаторы
      • Кнопки
      • Переключатели
    • Аварийные кнопки
      Аварийные кнопки
    • Кнопки
      Кнопки
    • Индикаторы
      Индикаторы
    • Кнопочные посты
      Кнопочные посты
    • Кулачковые переключатели
      Кулачковые переключатели
    • Двойные кнопки
      Двойные кнопки
    • Переключатели
      Переключатели
    • Джойстики
      Джойстики
    • Кнопки с подсветкой
      Кнопки с подсветкой
    • Зуммеры
      Зуммеры
    • Сигнальные колонны
      Сигнальные колонны
    • Сирены
      Сирены
    • Потенциометры
      Потенциометры
    • Лампы BA9s
      Лампы BA9s
    • Таймеры и счётчики
      Таймеры и счётчики
    • NJR2
      NJR2
    • NJR5
      NJR5
    • STS22
      STS22
    • NJRP5
    • Altistart 01
      Altistart 01
    • Altistart 22
      Altistart 22
    • Altistart 48
      Altistart 48
    • Finder 7P
      Finder 7P
    • iPRD1
      iPRD1
    • Easy9 SPD
      Easy9 SPD
    • iPRF1
      iPRF1
    • PRD
      PRD
    • SJB, SJBC, SVC, SVD
      SJB, SJBC, SVC, SVD
    • ОП-101
      ОП-101
    • Вольтметры и амперметры
      Вольтметры и амперметры
    • Трансформаторы тока
      Трансформаторы тока
    • Счётчики и анализаторы электроэнергии
      Счётчики и анализаторы электроэнергии
    • TRIO UPS
      TRIO UPS
    • Info
      Info
    • Info LED
      Info LED
    • Small Basic
      Small Basic
    • Intelligent
      Intelligent
    • Solo
      Solo
    • Monolith E
      Monolith E
    • Small
      Small
    • Small Convert
      Small Convert
    • Trio TT
      Trio TT
    • Trio TM
      Trio TM
    • Extra TT
      Extra TT
    • Модули расширения
      Модули расширения
    • Гибкий монтажный провод
      Гибкий монтажный провод
    • Гибкие медные шины
      Гибкие медные шины
    • Жёсткие медные шины
      Жёсткие медные шины
    • Система шин Linergy Evolution
      Система шин Linergy Evolution
      • Аксессуары Linergy Evolution
      • Вертикальные шины Linergy Evolution
      • Горизонтальные шины Linergy Evolution
    • Шинодержатели
      Шинодержатели
      • Держатели жесткой шины в разборе
      • Держатели для гибкой шины
      • Держатели жесткой шины в сборе
    • Кабель-канал перфорированный
      Кабель-канал перфорированный
    • Гибкий кабель-канал с клеящей лентой
      Гибкий кабель-канал с клеящей лентой
    • Листовой кабельный лоток
      Листовой кабельный лоток
      • Перфорированные кабельные лотки
      • Неперфорированные кабельные лотки
      • Угловые элементы
      • Ответвители
      • Заглушки
      • Удлинители
      • Накладки соединительные
      • Переходники
      • Аксессуары для лотков
      • Монтажные аксессуары
      • Консоли
      • Консоли быстрой фиксации
      • C-профиль
      • Крышки
      • I-профиль
      • Полоса перфорированная
      • П-профиль
      • Перегородки
      • Подвесы
      • +  ЕЩЕ 9
    • Проволочный кабельный лоток
      Проволочный кабельный лоток
      • Аксессуары проволочного лотка
      • C-профиль
      • Прямые секции лотков
      • Консоли
      • Ограничители изгиба кабеля
      • Переходники
    • Гофрированная труба
      Гофрированная труба
      • Гофра труба из ПВХ
      • Гофра из полиэтилена
      • Гофра из полиолефина
      • Гофра из полиамида
      • Аксессуары
      • Хомуты и держатели
    • Металлорукав
      Металлорукав
      • Металлорукав из оцинкованной стали
      • Металлорука в ПВХ изоляции
      • Муфты металлорукав-коробка
    • Отвёртки
      Отвёртки
    • Инструмент для снятия изоляции и нарезки провода
      Инструмент для снятия изоляции и нарезки провода
    • Инструмент для опрессовки наконечников
      Инструмент для опрессовки наконечников
    • Инструменты для резки DIN-рейки и перфорированных коробов
      Инструменты для резки DIN-рейки и перфорированных коробов
    • Антирезонансные дроссели
      Антирезонансные дроссели
    • Конденсаторы
      Конденсаторы
    • Контакторы для КРМ
      Контакторы для КРМ
    • Контроллеры
      Контроллеры
Таблицы выбора
Бренды
Блог
FAQ
Документация
О магазине
  • Лицензии и сертификаты
  • Отзывы
  • Политика конфиденциальности
  • Договор оферты
  • Реквизиты
  • Контакты
Контакты
idelectro.ru ↗
+  ЕЩЕ
    АйДи-Электро
    8 800 222-80-42
    Заказать звонок
    Сравнение0
    Избранные товары 0
    Корзина 0
    АйДи-Электро
    Сравнение0
    Избранные товары 0 Корзина 0
    Телефоны
    8 800 222-80-42
    Заказать звонок
    • Каталог
      • Назад
      • Каталог
      • Преобразователи частоты
        • Назад
        • Преобразователи частоты
        • SID100
        • SID300
        • SID600
        • MD630
        • MD600
        • MD310
        • MD290
        • MD520
        • MD500Plus
        • CS710
        • MD200
        • MD580
        • MD800
        • MD810
        • STV320
        • ME320LN
        • Карты расширения
        • Выносные терминалы
        • Аксессуары
        • Тормозные резисторы
        • Тормозные модули
        • Дроссели сетевые
        • Дроссели моторные
        • Дроссели du/dt
        • Синус-фильтры
        • Фильтры ЭМС
        • Altivar 12
        • Altivar 212
        • Altivar 310
        • Altivar 312
        • Altivar 320
        • Altivar 340
        • Altivar 610
        • Altivar 630/650
        • Altivar 71
        • Altivar 930/950
        • MD500
        • Сетевые фильтры
      • Сервоприводы
        • Назад
        • Сервоприводы
        • Сервопреобразователи
        • Сервомоторы
        • Аксессуары
        • Кабели
      • Логические контроллеры и HMI-панели
        • Назад
        • Логические контроллеры и HMI-панели
        • Логические контроллеры
        • Модули расширения
        • Картриджи
        • Диалоговые терминалы
        • Кабели и адаптеры
        • Клеммные колодки
        • Преобразователи сигналов
        • Промышленные коммутаторы
        • Датчики
          • Назад
          • Датчики
          • Влажности
          • Давления
          • Температуры
        • Модемы
        • Дисплеи
        • Программируемые реле
      • Предохранители и рубильники на предохранителях
        • Назад
        • Предохранители и рубильники на предохранителях
        • Модульные ПВР
        • Горизонтальные ПВР
        • Вертикальные ПВР
        • Общепромышленные предохранители
          • Назад
          • Общепромышленные предохранители
          • Цилиндрические плавкие вставки
          • Ножевые плавкие вставки
          • Рукоятки съёма предохранителей
        • Быстродействующие предохранители
          • Назад
          • Быстродействующие предохранители
          • Ножевые в держатели
          • Цилиндрические под болт
          • Ножевые под болт
          • Цилиндрические в держатели
          • Резьбовые
          • Дополнительные контакты
        • Короткозамыкающие соединители
        • Держатели предохранителей
      • Выключатели-разъединители и рубильники
        • Назад
        • Выключатели-разъединители и рубильники
        • SDV
        • SDP
        • Vario
        • SALIT
        • VC5P
        • INV, INS
      • Шкафы, боксы и клеммные коробки
        • Назад
        • Шкафы, боксы и клеммные коробки
        • Напольные шкафы
          • Назад
          • Напольные шкафы
          • MK-20
          • RAM block CQE
          • Spacial SF
          • Аксессуары
          • Prisma G
        • Навесные щиты
          • Назад
          • Навесные щиты
          • Навесные щиты с монтажной панелью
          • Навесные щиты без монтажной панели
          • Навесные щиты с прозрачной дверью
          • Навесные щиты красного цвета
          • Навесные щиты из нержавеющей стали
          • Рамы для 19'' оборудования
          • Козырьки дождезащитные
          • Замки и ручки
          • Внутренние двери
          • Вспомогательные рейки
          • Кронштейны, цоколи и стойки
          • Фланцы и кабельные ввода
          • Двери
          • Рамы для модульного оборудования
          • Монтажные платы
          • Аксессуары
        • Пульты
        • Распределительные, клеммные коробки
          • Назад
          • Распределительные, клеммные коробки
          • Распределительные коробки
          • Корпусы
          • Клеммные коробки
          • Распределительные коробки из нержавеющей стали
          • Аксессуары
        • Уличные шкафы
          • Назад
          • Уличные шкафы
          • Thalassa
          • Серия 222
          • Серия B10
          • Серия LABEO
        • Боксы и распределительные щитки
          • Назад
          • Боксы и распределительные щитки
          • Easy 9
          • RAM base
          • Kaedra и Mini Kaedra
          • Resi9-KV (Mini Pragma)
          • Pragma
          • Prisma Pack
        • Гермовводы
          • Назад
          • Гермовводы
          • Пластиковые гермовводы
          • Латунные гермовводы
          • Гермовводы с держателем кабеля
          • Гайки латунные
        • Розетки щитовые
        • Светильники
        • Концевые выключатели
        • Аксессуары для светильников
        • Болты, гайки, винты и саморезы
          • Назад
          • Болты, гайки, винты и саморезы
          • Винты
          • Гайки
          • Рым-болты
        • Краска для ремонта
      • Щитовое климатическое оборудование
        • Назад
        • Щитовое климатическое оборудование
        • Вентиляторы и решётки
        • Обогреватели
        • Термостаты и гигростаты
      • Аксессуары для монтажа
        • Назад
        • Аксессуары для монтажа
        • DIN-рейка
        • Наконечники - гильзы
        • Наконечники изолированные
        • Наконечники штампованные
        • Кабельные зажимы для С-рейки
        • Кабельные стяжки ID
        • Изоляторы и стойки
        • Спираль для жгутовки провода
        • Защитный профиль
        • Трубка термоусаживаемая
      • Реле
        • Назад
        • Реле
        • Реле промежуточные
          • Назад
          • Реле промежуточные
          • Миниатюрные реле
          • Универсальные реле
          • Октальные реле
          • Силовые реле
          • В корпусе контактора
          • Розетки
          • Скобы-держатели реле
          • Модули индикации и защиты
          • Таймерные модули
          • Адаптеры и держатели
          • Шинные соединители
          • Реле для монтажа на печатную плату
          • Маркировка для реле
        • Твердотельные реле
        • Реле времени и таймеры
          • Назад
          • Реле времени и таймеры
          • Лестничные таймеры
          • Модульные реле времени и таймеры
          • Таймеры для монтажа в розетку
          • Таймеры для монтажа на панель
        • Импульсные реле
        • Реле бистабильные
        • Реле напряжения
        • Реле быстродействующие
        • Реле освещения
        • Реле тока
        • Реле контроля уровня жидкости
        • Реле контроля температуры
        • Реле безопасности
        • Реле контроля предохранителей
        • Реле защиты двигателя
          • Назад
          • Реле защиты двигателя
          • Термисторные реле
          • Тепловые реле
          • Электронные реле
      • Контакторы и тепловые реле
        • Назад
        • Контакторы и тепловые реле
        • Модульные контакторы
        • Миниатюрные контакторы
        • Универсальные контакторы
        • Контакторы постоянного тока
        • Вспомогательные реле
        • Тепловые реле
        • Электронные реле
        • Сигнальные контакты
        • Блоки выдержки времени
        • Механические блокировки
        • Модули защиты
        • Пускатели
        • Адаптеры тепловых реле
        • Катушки управления
        • Звезда-треугольник
        • Крышки и перегородки
        • Многофункциональные пускатели
        • Механические защелки
        • Диодные развязки
        • Аксессуары
      • Блоки питания и трансформаторы
        • Назад
        • Блоки питания и трансформаторы
        • Импульсные блоки питания
        • Диодные модули
        • Модули ИБП
        • Буферные модули
        • Электронные автоматические выключатели
        • Трансформаторы
      • Клеммы и разъёмы
        • Назад
        • Клеммы и разъёмы
        • Распределительные блоки и кросс-модули
        • Стопоры
        • Винтовые проходные
        • Проходные пружинные
        • Push-in проходные
        • Болтовые проходные
        • Шинные клеммы
        • Измерительные
        • С держателем предохранителя
        • Перемычки
        • Крышки
        • Разделительные пластины
        • Строительно-монтажные клеммы
        • Вставки-размыкатели, держатели компонентов
        • Со встроенными электронными компонентами
        • Клеммы-ответвители
        • Промышленные разъёмы
        • Гнёзда для тестера
      • Маркировка
        • Назад
        • Маркировка
        • Принтеры для маркировки
          • Назад
          • Принтеры для маркировки
          • Принтеры
          • Аксессуары
        • Маркировка для клемм
          • Назад
          • Маркировка для клемм
          • Держатели маркировки
          • Маркировка клемм без надписей
          • Маркировка клемм с надписями
        • Маркировка для провода
          • Назад
          • Маркировка для провода
          • Наборная маркировка провода с открытым профилем
          • Держатели маркировки кабеля под стяжку
          • Держатели маркировки провода с закрытым профилем
          • Маркировочные кембрики и ламинация
          • Наборная маркировка провода с закрытым профилем
        • Маркировка для ламп и кнопок
        • Маркировка оборудования
        • Маркеры
      • Автоматические выключатели и УЗО
        • Назад
        • Автоматические выключатели и УЗО
        • Модульные автоматические выключатели
        • Модульные выключатели нагрузки
        • Модульные УЗО
        • Модульные дифавтоматы
        • Устройство защиты от дугового пробоя (УЗДП)
        • Автоматические выключатели защиты двигателя
        • Автоматические выключатели в литом корпусе
        • Выключатели нагрузки в литом корпусе
        • Автоматические выключатели воздушные
        • Коммутационные блоки
        • Расцепители максимального тока
        • Блоки разъединителя нагрузки
        • Шинки гребенчатые
        • Дифференциальные модули
        • Сигнальные контакты
        • Расцепители независимые
        • Расцепители минимального напряжения
        • Клеммы и расширители полюсов
        • Крышки и изоляторы
        • Адаптеры на DIN-рейку
        • Рукоятки управления
        • Блокировки
        • Моторные приводы
        • Шасси
        • Коммуникационные модули
        • Аксессуары
      • Кнопки, джойстики и светосигнальная арматура
        • Назад
        • Кнопки, джойстики и светосигнальная арматура
        • Концевые выключатели
          • Назад
          • Концевые выключатели
          • Концевые выключатели в сборе
          • Адаптер кабельного ввода
          • Головка
          • Контакты
          • Корпус
        • Модульные кнопки и индикаторы
          • Назад
          • Модульные кнопки и индикаторы
          • Индикаторы
          • Кнопки
          • Переключатели
        • Аварийные кнопки
        • Кнопки
        • Индикаторы
        • Кнопочные посты
        • Кулачковые переключатели
        • Двойные кнопки
        • Переключатели
        • Джойстики
        • Кнопки с подсветкой
        • Зуммеры
        • Сигнальные колонны
        • Сирены
        • Потенциометры
        • Аксессуары
        • Лампы BA9s
        • Таймеры и счётчики
      • Устройства плавного пуска
        • Назад
        • Устройства плавного пуска
        • NJR2
        • NJR5
        • STS22
        • NJRP5
        • Altistart 01
        • Altistart 22
        • Altistart 48
      • УЗИП
        • Назад
        • УЗИП
        • Finder 7P
        • iPRD1
        • Easy9 SPD
        • iPRF1
        • PRD
        • SJB, SJBC, SVC, SVD
        • ОП-101
      • Устройства АВР
      • Вольтметры, амперметры и трансформаторы тока
        • Назад
        • Вольтметры, амперметры и трансформаторы тока
        • Вольтметры и амперметры
        • Трансформаторы тока
        • Счётчики и анализаторы электроэнергии
      • Источники бесперебойного питания
        • Назад
        • Источники бесперебойного питания
        • TRIO UPS
        • Info
        • Info LED
        • Small Basic
        • Intelligent
        • Solo
        • Monolith E
        • Small
        • Small Convert
        • Trio TT
        • Trio TM
        • Extra TT
        • Модули расширения
      • Шины и провод
        • Назад
        • Шины и провод
        • Гибкий монтажный провод
        • Гибкие медные шины
        • Жёсткие медные шины
        • Система шин Linergy Evolution
          • Назад
          • Система шин Linergy Evolution
          • Аксессуары Linergy Evolution
          • Вертикальные шины Linergy Evolution
          • Горизонтальные шины Linergy Evolution
        • Шинодержатели
          • Назад
          • Шинодержатели
          • Держатели жесткой шины в разборе
          • Держатели для гибкой шины
          • Держатели жесткой шины в сборе
      • Кабеленесущие системы
        • Назад
        • Кабеленесущие системы
        • Кабель-канал перфорированный
        • Гибкий кабель-канал с клеящей лентой
        • Листовой кабельный лоток
          • Назад
          • Листовой кабельный лоток
          • Перфорированные кабельные лотки
          • Неперфорированные кабельные лотки
          • Угловые элементы
          • Ответвители
          • Заглушки
          • Удлинители
          • Накладки соединительные
          • Переходники
          • Аксессуары для лотков
          • Монтажные аксессуары
          • Консоли
          • Консоли быстрой фиксации
          • C-профиль
          • Крышки
          • I-профиль
          • Полоса перфорированная
          • П-профиль
          • Перегородки
          • Подвесы
        • Проволочный кабельный лоток
          • Назад
          • Проволочный кабельный лоток
          • Аксессуары проволочного лотка
          • C-профиль
          • Прямые секции лотков
          • Консоли
          • Ограничители изгиба кабеля
          • Переходники
        • Гофрированная труба
          • Назад
          • Гофрированная труба
          • Гофра труба из ПВХ
          • Гофра из полиэтилена
          • Гофра из полиолефина
          • Гофра из полиамида
          • Аксессуары
          • Хомуты и держатели
        • Металлорукав
          • Назад
          • Металлорукав
          • Металлорукав из оцинкованной стали
          • Металлорука в ПВХ изоляции
          • Муфты металлорукав-коробка
      • Инструмент
        • Назад
        • Инструмент
        • Отвёртки
        • Инструмент для снятия изоляции и нарезки провода
        • Инструмент для опрессовки наконечников
        • Инструменты для резки DIN-рейки и перфорированных коробов
      • Комплектующие для КРМ
        • Назад
        • Комплектующие для КРМ
        • Антирезонансные дроссели
        • Конденсаторы
        • Контакторы для КРМ
        • Контроллеры
    • Таблицы выбора
      • Назад
      • Таблицы выбора
      • Частотные преобразователи
      • Выключатели нагрузки и рубильники
      • Предохранители и рубильники на предохранителях
      • Автоматические выключатели и УЗО
      • Клеммы и разъёмы
      • Шкафы, боксы и клеммные коробки
      • Контакторы и тепловые реле
      • Маркировка
      • Кнопки, джойстики и светосигнальная арматура
      • Реле
      • Блоки питания и трансформаторы
      • Расходные материалы и аксессуары для монтажа
      • Шины и провод
      • Кабеленесущие системы
      • Стабилизаторы напряжения и ИБП
      • Панели HMI
    • Бренды
    • Блог
    • FAQ
    • Документация
    • О магазине
      • Назад
      • О магазине
      • Лицензии и сертификаты
      • Отзывы
      • Политика конфиденциальности
      • Договор оферты
      • Реквизиты
      • Контакты
    • Контакты
    • idelectro.ru ↗
    • Личный кабинет
    • Корзина0
    • Избранные товары0
    • Сравнение товаров0
    • 8 800 222-80-42
    Контактная информация
    г. Екатеринбург, ул. Анри Барбюса 13
    shop@idelectro.ru
    • Вконтакте
    • Telegram
    • Rutube
    • MAX

    RSLZVA1 | Колодка, 12/24В AC/DC, для RSL1*B4(J/B)D 12/24В DC, Schneider Electric

    Главная
    —
    Каталог
    —
    Реле
    Преобразователи частотыСервоприводыЛогические контроллеры и HMI-панелиПредохранители и рубильники на предохранителяхВыключатели-разъединители и рубильникиШкафы, боксы и клеммные коробкиЩитовое климатическое оборудованиеАксессуары для монтажаКонтакторы и тепловые релеБлоки питания и трансформаторыКлеммы и разъёмыМаркировкаАвтоматические выключатели и УЗОКнопки, джойстики и светосигнальная арматураУстройства плавного пускаУЗИПУстройства АВРВольтметры, амперметры и трансформаторы токаИсточники бесперебойного питанияШины и проводКабеленесущие системыИнструментКомплектующие для КРМ
    —
    Реле промежуточные
    Твердотельные релеРеле времени и таймерыИмпульсные релеРеле бистабильныеРеле напряженияРеле быстродействующиеРеле освещенияРеле токаРеле контроля уровня жидкостиРеле контроля температурыРеле безопасностиРеле контроля предохранителейРеле защиты двигателя
    —
    Розетки
    Миниатюрные релеУниверсальные релеОктальные релеСиловые релеВ корпусе контактораСкобы-держатели релеМодули индикации и защитыТаймерные модулиАдаптеры и держателиШинные соединителиРеле для монтажа на печатную платуМаркировка для реле
    —RSLZVA1 | Колодка, 12/24В AC/DC, для RSL1*B4(J/B)D 12/24В DC, Schneider Electric
    RSLZVA1 | Колодка, 12/24В AC/DC, для RSL1*B4(J/B)D 12/24В DC, Schneider Electric
    Артикул: RSLZVA1
    Schneider Electric
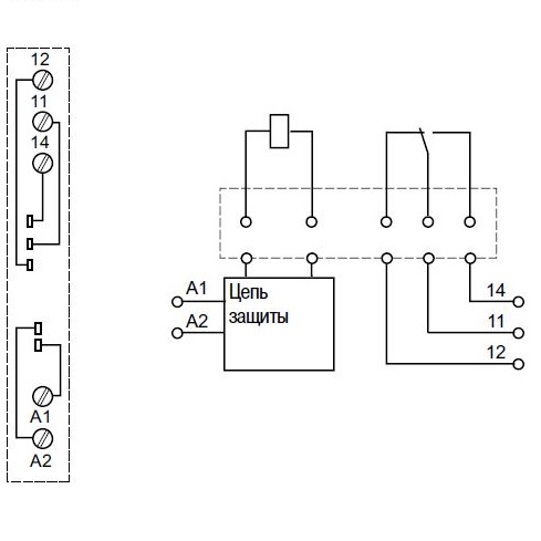
    Колодка, 12/24В AC/DC, для RSL1*B4(J/B)D 12/24В DC
    Подробности
    Товар более не поставляется. Подобрать аналог
    Запросим актуальную цену, уточним возможность поставки, срок и свяжемся с вами
    Характеристики
    Артикул производителя
    —
    RSLZVA1
    Тип устройства
    —
    Розетки, фиксаторы и маркеры
    Бренд
    —
    Schneider Electric
    Зажим
    —
    Винтовой
    Количество полюсов
    ?
    полюсов
    —
    1 СО
    Норма упаковки
    —
    10
    Все характеристики
    • Описание
    • Аксессуары
    • Наличие
    • Отзывы
    • Доставка

    Пластиковая розетка черного цвета с винтовыми зажимами для реле Schneider Electric RSL1 12/24В DC
    Предназначена для сборки в единое изделие с реле и установки на 35мм din-рейку.

    Характеристики
    Артикул производителя
    RSLZVA1
    Тип устройства
    Розетки, фиксаторы и маркеры
    Бренд
    Schneider Electric
    Зажим
    Винтовой
    Количество полюсов
    ?
    полюсов
    1 СО
    Норма упаковки
    10
    Аксессуар для серии реле
    RSL
    Документы
    Каталог Реле Harmony ENG 10,3 мб
    Оставить отзыв
    У данного товара нет отзывов. Станьте первым, кто оставил отзыв об этом товаре!
    Текст сообщения*
    Перетащите файлы
    Ничего не найдено
    Размер файла не должен превышать 5 МБ.
    Загрузить изображение

    Сроки доставки

     В наличии
    на складе АйДи


    Товар есть на нашем складе в Екатеринбурге. Срок поставки — это время доставки с нашего склада до вас и обычно не превышает 1-2 недели.



     В наличии
    на складе поставщика


    Товар, который мы привезём для вас со склада производителя. Если склад производителя находится в России, срок поставки до нашего склада не превысит 1-2 недели. В случае поставки из-за рубежа, срок составит от 4 до 12 недель.



     Под заказ


    Товара нет в наличии ни на одном складе. Срок поставки будет зависеть от сроков изготовления. Уточните срок у наших менеджеров.




    Оплата

    Оплата картой
    Чтобы оплатить заказ банковской картой, при оформлении заказа выберите в способах оплаты «Банковская карта».

    Банковский перевод
    Подходит для физических и юридических лиц. Счёт формируется автоматически на странице оформления заказа и отправляется на указанный вами адрес электронной почты. Вы так же можете скачать счёт на странице оформления заказа. Обратите внимание, что счёт действителен в течении одного дня.


    Доставка

    Самовывоз со склада АйДи в Екатеринбурге
    Время работы склада с 9 до 18 по местному времени в рабочие дни. Если вам удобнее забрать товар самостоятельно, выберите «Самовывоз» на странице оформления заказа.

    Доставка транспортной компанией
    Стоимость зависит от тарифа выбранной транспортной компании, веса и габарита груза. Доставка до пункта приёма груза транспортной компании осуществляется нашими силами и бесплатна для покупателя.


    Аксессуары
    Schneider Electric
    Все товары категории
    Все товары бренда Schneider Electric
    Каталог
    • Преобразователи частоты Преобразователи частоты
      • SID100 SID100
      • SID300 SID300
      • SID600 SID600
      • MD630 MD630
      • MD600 MD600
      • MD310 MD310
      • MD290 MD290
      • MD520 MD520
      • MD500Plus MD500Plus
      • CS710 CS710
      • STV320 STV320
      • Карты расширения Карты расширения
      • Выносные терминалы Выносные терминалы
      • Аксессуары Аксессуары
      • Тормозные резисторы Тормозные резисторы
      • Тормозные модули Тормозные модули
      • Дроссели сетевые Дроссели сетевые
      • Дроссели моторные Дроссели моторные
      • Дроссели du/dt Дроссели du/dt
    • Сервоприводы Сервоприводы
      • Сервопреобразователи Сервопреобразователи
      • Сервомоторы Сервомоторы
      • Аксессуары Аксессуары
      • Кабели Кабели
    • Логические контроллеры и HMI-панели Логические контроллеры и HMI-панели
      • Логические контроллеры Логические контроллеры
      • Модули расширения Модули расширения
      • Картриджи Картриджи
      • Диалоговые терминалы Диалоговые терминалы
      • Кабели и адаптеры Кабели и адаптеры
      • Клеммные колодки Клеммные колодки
      • Преобразователи сигналов Преобразователи сигналов
      • Промышленные коммутаторы Промышленные коммутаторы
      • Датчики Датчики
        • Влажности
        • Давления
        • Температуры
      • Модемы Модемы
      • Дисплеи Дисплеи
      • Программируемые реле Программируемые реле
    • Предохранители и рубильники на предохранителях Предохранители и рубильники на предохранителях
      • Модульные ПВР Модульные ПВР
      • Горизонтальные ПВР Горизонтальные ПВР
      • Вертикальные ПВР Вертикальные ПВР
      • Общепромышленные предохранители Общепромышленные предохранители
        • Цилиндрические плавкие вставки
        • Ножевые плавкие вставки
        • Рукоятки съёма предохранителей
      • Быстродействующие предохранители Быстродействующие предохранители
        • Ножевые в держатели
        • Цилиндрические под болт
        • Ножевые под болт
        • Цилиндрические в держатели
        • Резьбовые
        • Дополнительные контакты
      • Короткозамыкающие соединители Короткозамыкающие соединители
      • Держатели предохранителей Держатели предохранителей
    • Выключатели-разъединители и рубильники Выключатели-разъединители и рубильники
      • SDV SDV
      • SDP SDP
      • Vario Vario
      • VC5P VC5P
      • INV, INS INV, INS
    • Шкафы, боксы и клеммные коробки Шкафы, боксы и клеммные коробки
      • Напольные шкафы Напольные шкафы
        • MK-20
        • RAM block CQE
        • Spacial SF
        • Аксессуары
        • Prisma G
      • Навесные щиты Навесные щиты
        • Навесные щиты с монтажной панелью
        • Навесные щиты без монтажной панели
        • Навесные щиты с прозрачной дверью
        • Навесные щиты красного цвета
        • Навесные щиты из нержавеющей стали
        • Рамы для 19'' оборудования
        • Козырьки дождезащитные
        • Замки и ручки
        • Внутренние двери
        • Вспомогательные рейки
        • Кронштейны, цоколи и стойки
        • Фланцы и кабельные ввода
        • Двери
        • Рамы для модульного оборудования
        • Монтажные платы
        • Аксессуары
      • Пульты Пульты
      • Распределительные, клеммные коробки Распределительные, клеммные коробки
        • Распределительные коробки
        • Корпусы
        • Клеммные коробки
        • Распределительные коробки из нержавеющей стали
        • Аксессуары
      • Уличные шкафы Уличные шкафы
        • Thalassa
        • Серия 222
        • Серия B10
        • Серия LABEO
      • Боксы и распределительные щитки Боксы и распределительные щитки
        • Easy 9
        • RAM base
        • Kaedra и Mini Kaedra
        • Resi9-KV (Mini Pragma)
        • Pragma
        • Prisma Pack
      • Гермовводы Гермовводы
        • Пластиковые гермовводы
        • Латунные гермовводы
        • Гермовводы с держателем кабеля
        • Гайки латунные
      • Розетки щитовые Розетки щитовые
      • Светильники Светильники
      • Концевые выключатели Концевые выключатели
      • Аксессуары для светильников Аксессуары для светильников
      • Болты, гайки, винты и саморезы Болты, гайки, винты и саморезы
        • Винты
        • Гайки
        • Рым-болты
      • Краска для ремонта Краска для ремонта
    • Щитовое климатическое оборудование Щитовое климатическое оборудование
      • Вентиляторы и решётки Вентиляторы и решётки
      • Обогреватели Обогреватели
      • Термостаты и гигростаты Термостаты и гигростаты
    • Аксессуары для монтажа Аксессуары для монтажа
      • DIN-рейка DIN-рейка
      • Наконечники - гильзы Наконечники - гильзы
      • Наконечники изолированные Наконечники изолированные
      • Наконечники штампованные Наконечники штампованные
      • Кабельные зажимы для С-рейки Кабельные зажимы для С-рейки
      • Кабельные стяжки ID Кабельные стяжки ID
      • Изоляторы и стойки Изоляторы и стойки
      • Спираль для жгутовки провода Спираль для жгутовки провода
      • Защитный профиль Защитный профиль
      • Трубка термоусаживаемая Трубка термоусаживаемая
    • Реле Реле
      • Реле промежуточные Реле промежуточные
        • Миниатюрные реле
        • Универсальные реле
        • Октальные реле
        • Силовые реле
        • В корпусе контактора
        • Розетки
        • Скобы-держатели реле
        • Модули индикации и защиты
        • Таймерные модули
        • Адаптеры и держатели
        • Шинные соединители
        • Реле для монтажа на печатную плату
        • Маркировка для реле
      • Твердотельные реле Твердотельные реле
      • Реле времени и таймеры Реле времени и таймеры
        • Лестничные таймеры
        • Модульные реле времени и таймеры
        • Таймеры для монтажа в розетку
        • Таймеры для монтажа на панель
      • Импульсные реле Импульсные реле
      • Реле бистабильные Реле бистабильные
      • Реле напряжения Реле напряжения
      • Реле быстродействующие Реле быстродействующие
      • Реле освещения Реле освещения
      • Реле тока Реле тока
      • Реле контроля уровня жидкости Реле контроля уровня жидкости
      • Реле контроля температуры Реле контроля температуры
      • Реле безопасности Реле безопасности
      • Реле контроля предохранителей Реле контроля предохранителей
      • Реле защиты двигателя Реле защиты двигателя
        • Термисторные реле
        • Тепловые реле
        • Электронные реле
    • Контакторы и тепловые реле Контакторы и тепловые реле
      • Модульные контакторы Модульные контакторы
      • Миниатюрные контакторы Миниатюрные контакторы
      • Универсальные контакторы Универсальные контакторы
      • Контакторы постоянного тока Контакторы постоянного тока
      • Вспомогательные реле Вспомогательные реле
      • Тепловые реле Тепловые реле
      • Электронные реле Электронные реле
      • Сигнальные контакты Сигнальные контакты
      • Блоки выдержки времени Блоки выдержки времени
      • Механические блокировки Механические блокировки
      • Модули защиты Модули защиты
      • Пускатели Пускатели
      • Адаптеры тепловых реле Адаптеры тепловых реле
      • Катушки управления Катушки управления
      • Звезда-треугольник Звезда-треугольник
      • Крышки и перегородки Крышки и перегородки
      • Многофункциональные пускатели Многофункциональные пускатели
      • Механические защелки Механические защелки
      • Аксессуары Аксессуары
    • Блоки питания и трансформаторы Блоки питания и трансформаторы
      • Импульсные блоки питания Импульсные блоки питания
      • Диодные модули Диодные модули
      • Модули ИБП Модули ИБП
      • Буферные модули Буферные модули
      • Электронные автоматические выключатели Электронные автоматические выключатели
      • Трансформаторы Трансформаторы
    • Клеммы и разъёмы Клеммы и разъёмы
      • Распределительные блоки и кросс-модули Распределительные блоки и кросс-модули
      • Стопоры Стопоры
      • Винтовые проходные Винтовые проходные
      • Проходные пружинные Проходные пружинные
      • Push-in проходные Push-in проходные
      • Болтовые проходные Болтовые проходные
      • Шинные клеммы Шинные клеммы
      • Измерительные Измерительные
      • С держателем предохранителя С держателем предохранителя
      • Перемычки Перемычки
      • Крышки Крышки
      • Разделительные пластины Разделительные пластины
      • Строительно-монтажные клеммы Строительно-монтажные клеммы
      • Вставки-размыкатели, держатели компонентов Вставки-размыкатели, держатели компонентов
      • Со встроенными электронными компонентами Со встроенными электронными компонентами
      • Клеммы-ответвители Клеммы-ответвители
      • Промышленные разъёмы Промышленные разъёмы
      • Гнёзда для тестера Гнёзда для тестера
    • Маркировка Маркировка
      • Принтеры для маркировки Принтеры для маркировки
        • Принтеры
        • Аксессуары
      • Маркировка для клемм Маркировка для клемм
        • Держатели маркировки
        • Маркировка клемм без надписей
        • Маркировка клемм с надписями
      • Маркировка для провода Маркировка для провода
        • Наборная маркировка провода с открытым профилем
        • Держатели маркировки кабеля под стяжку
        • Держатели маркировки провода с закрытым профилем
        • Маркировочные кембрики и ламинация
        • Наборная маркировка провода с закрытым профилем
      • Маркировка для ламп и кнопок Маркировка для ламп и кнопок
      • Маркировка оборудования Маркировка оборудования
    • Автоматические выключатели и УЗО Автоматические выключатели и УЗО
      • Модульные автоматические выключатели Модульные автоматические выключатели
      • Модульные выключатели нагрузки Модульные выключатели нагрузки
      • Модульные УЗО Модульные УЗО
      • Модульные дифавтоматы Модульные дифавтоматы
      • Устройство защиты от дугового пробоя (УЗДП) Устройство защиты от дугового пробоя (УЗДП)
      • Автоматические выключатели защиты двигателя Автоматические выключатели защиты двигателя
      • Автоматические выключатели в литом корпусе Автоматические выключатели в литом корпусе
      • Выключатели нагрузки в литом корпусе Выключатели нагрузки в литом корпусе
      • Автоматические выключатели воздушные Автоматические выключатели воздушные
      • Коммутационные блоки Коммутационные блоки
      • Расцепители максимального тока Расцепители максимального тока
      • Блоки разъединителя нагрузки Блоки разъединителя нагрузки
      • Шинки гребенчатые Шинки гребенчатые
      • Дифференциальные модули Дифференциальные модули
      • Сигнальные контакты Сигнальные контакты
      • Расцепители независимые Расцепители независимые
      • Расцепители минимального напряжения Расцепители минимального напряжения
      • Клеммы и расширители полюсов Клеммы и расширители полюсов
      • Крышки и изоляторы Крышки и изоляторы
      • Адаптеры на DIN-рейку Адаптеры на DIN-рейку
      • Рукоятки управления Рукоятки управления
      • Блокировки Блокировки
      • Моторные приводы Моторные приводы
      • Шасси Шасси
      • Коммуникационные модули Коммуникационные модули
    • Кнопки, джойстики и светосигнальная арматура Кнопки, джойстики и светосигнальная арматура
      • Концевые выключатели Концевые выключатели
        • Концевые выключатели в сборе
        • Адаптер кабельного ввода
        • Головка
        • Контакты
        • Корпус
      • Модульные кнопки и индикаторы Модульные кнопки и индикаторы
        • Индикаторы
        • Кнопки
        • Переключатели
      • Аварийные кнопки Аварийные кнопки
      • Кнопки Кнопки
      • Индикаторы Индикаторы
      • Кнопочные посты Кнопочные посты
      • Кулачковые переключатели Кулачковые переключатели
      • Двойные кнопки Двойные кнопки
      • Переключатели Переключатели
      • Джойстики Джойстики
      • Кнопки с подсветкой Кнопки с подсветкой
      • Зуммеры Зуммеры
      • Сигнальные колонны Сигнальные колонны
      • Сирены Сирены
      • Потенциометры Потенциометры
      • Аксессуары Аксессуары
      • Лампы BA9s Лампы BA9s
      • Таймеры и счётчики Таймеры и счётчики
    • Устройства плавного пуска Устройства плавного пуска
      • NJR2 NJR2
      • NJR5 NJR5
      • STS22 STS22
      • NJRP5
      • Altistart 01 Altistart 01
      • Altistart 22 Altistart 22
      • Altistart 48 Altistart 48
    • УЗИП УЗИП
      • Finder 7P Finder 7P
      • iPRD1 iPRD1
      • Easy9 SPD Easy9 SPD
      • iPRF1 iPRF1
      • PRD PRD
      • SJB, SJBC, SVC, SVD SJB, SJBC, SVC, SVD
      • ОП-101 ОП-101
    • Устройства АВР Устройства АВР
    • Вольтметры, амперметры и трансформаторы тока Вольтметры, амперметры и трансформаторы тока
      • Вольтметры и амперметры Вольтметры и амперметры
      • Трансформаторы тока Трансформаторы тока
      • Счётчики и анализаторы электроэнергии Счётчики и анализаторы электроэнергии
    • Источники бесперебойного питания Источники бесперебойного питания
      • TRIO UPS TRIO UPS
      • Info Info
      • Info LED Info LED
      • Small Basic Small Basic
      • Intelligent Intelligent
      • Solo Solo
      • Monolith E Monolith E
      • Small Small
      • Small Convert Small Convert
      • Trio TT Trio TT
      • Trio TM Trio TM
      • Extra TT Extra TT
      • Модули расширения Модули расширения
    • Шины и провод Шины и провод
      • Гибкий монтажный провод Гибкий монтажный провод
      • Гибкие медные шины Гибкие медные шины
      • Жёсткие медные шины Жёсткие медные шины
      • Система шин Linergy Evolution Система шин Linergy Evolution
        • Аксессуары Linergy Evolution
        • Вертикальные шины Linergy Evolution
        • Горизонтальные шины Linergy Evolution
      • Шинодержатели Шинодержатели
        • Держатели жесткой шины в разборе
        • Держатели для гибкой шины
        • Держатели жесткой шины в сборе
    • Кабеленесущие системы Кабеленесущие системы
      • Кабель-канал перфорированный Кабель-канал перфорированный
      • Гибкий кабель-канал с клеящей лентой Гибкий кабель-канал с клеящей лентой
      • Листовой кабельный лоток Листовой кабельный лоток
        • Перфорированные кабельные лотки
        • Неперфорированные кабельные лотки
        • Угловые элементы
        • Ответвители
        • Заглушки
        • Удлинители
        • Накладки соединительные
        • Переходники
        • Аксессуары для лотков
        • Монтажные аксессуары
        • Консоли
        • Консоли быстрой фиксации
        • C-профиль
        • Крышки
        • I-профиль
        • Полоса перфорированная
        • П-профиль
        • Перегородки
        • Подвесы
      • Проволочный кабельный лоток Проволочный кабельный лоток
        • Аксессуары проволочного лотка
        • C-профиль
        • Прямые секции лотков
        • Консоли
        • Ограничители изгиба кабеля
        • Переходники
      • Гофрированная труба Гофрированная труба
        • Гофра труба из ПВХ
        • Гофра из полиэтилена
        • Гофра из полиолефина
        • Гофра из полиамида
        • Аксессуары
        • Хомуты и держатели
      • Металлорукав Металлорукав
        • Металлорукав из оцинкованной стали
        • Металлорука в ПВХ изоляции
        • Муфты металлорукав-коробка
    • Инструмент Инструмент
      • Отвёртки Отвёртки
      • Инструмент для снятия изоляции и нарезки провода Инструмент для снятия изоляции и нарезки провода
      • Инструмент для опрессовки наконечников Инструмент для опрессовки наконечников
      • Инструменты для резки DIN-рейки и перфорированных коробов Инструменты для резки DIN-рейки и перфорированных коробов
    • Комплектующие для КРМ Комплектующие для КРМ
      • Антирезонансные дроссели Антирезонансные дроссели
      • Конденсаторы Конденсаторы
      • Контакторы для КРМ Контакторы для КРМ
      • Контроллеры Контроллеры
    Блог
    21 апреля 2026
    Быстродействующий предохранитель Sinvel – надежная защита ПЧ
    14 апреля 2026
    Эволюция автоматизации: Новая линейка ПЛК Inovance Easy и смена поколений
    31 марта 2026
    Сервопривод Inovance в России. Номенклатура, различия, применения
    Будьте в курсе наших акций и новостей
    Способы оплаты
    ico
    ico
    ico
    ico
    Каталог
    Таблицы выбора
    Бренды
    Лицензии и сертификаты
    Блог
    Отзывы
    О магазине
    Доставка и оплата
    Гарантия
    Политика конфиденциальности
    Договор оферты
    FAQ
    Реквизиты
    Контакты
    Контакты

    8 800 222-80-42
    shop@idelectro.ru
    г. Екатеринбург, ул. Анри Барбюса 13
    2026 © АйДи-Электро
    • Вконтакте
    • Telegram
    • Rutube
    • MAX